近日,我校机械学院高学海团队关于大型SRB轴承建模及其应用技术的研究成果《A simplified spherical roller bearing model and its application in the wind turbine main bearing system finite element modeling》,在中科院一区Top期刊《Tribology International》发表。该论文由机械学院高学海老师、凯劳学院张泽坤老师合作完成,上海电机学院为唯一完成单位。



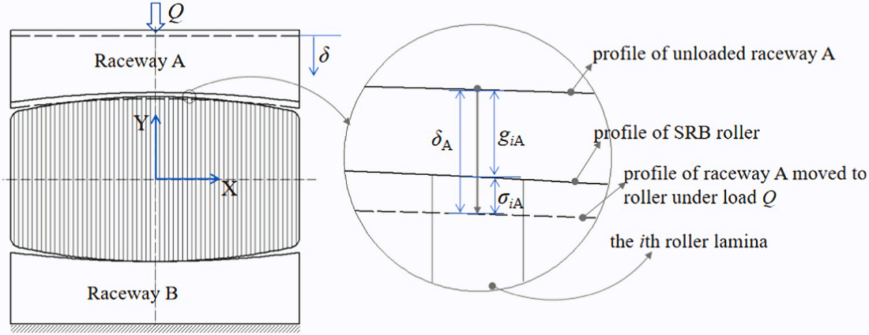
SRB轴承大偏转角调心能力的建模一直是困扰行业的难题。本研究利用类弹簧超弹性单元高效地解决了SRB轴承的建模难题,同时解决了大型轴承系统的复杂非线性快速收敛难题和大尺寸跨度模型的网格划分难题;提出了基于Hertz理论用切片法快速确定球面滚子与滚道的接触刚度的方法。高学海应用团队研究成果成功解决了大型三点支撑风力发电机主轴系统的柔性建模问题,发现在考虑柔性系统支撑系统的情况下,轴承载荷分布更加均匀,具备更大系统优化空间;通过子模型方法,分析了滚道接触压力和次表层应力分布,为大型SRB轴承的设计和制造提供了量化的指导意见。
高学海老师团队专注传动系统的数字化设计与制造,一直践行学校产教、产研融合理念,从产业实际需求出发,提炼并解决行业关键问题,反哺产业技术。(供稿:机械学院)

